A wall follower doesn't need much in the way of a test track. However, it is worth making sure that all the possible "nasties" are present. Here is a design for a board that I think has all the problems.
My board is cut from a half sheet of 12 mm thick MDF. I got the local DIY store to cut the main pieces for me. They cut two lengths of 50 mm wide from one side of the sheet and then cut the width down to the 750 mm desired size. It cost me about GBP13.00. I am sure that for a small fee they would have cut all the pieces to size.

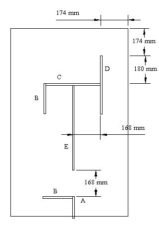
Once you have got the pieces, its just a matter of drilling holes in the baseplate and screwing through them into the undersides of the walls. I drilled on a 180 mm grid for the wall fixings with a 4 mm drill. I then countersunk the holes so that the underside of the base is flat and doesn't scratch the table it sits on. I drilled 3 mm pilot holes in the walls to take the screws. The screws are 40 mm chipboard screws. The walls are also glued to each other where they meet with "No More Nails" glue.

When I built mine first, I didn't paint it as I was only going to use mechanical-sensing mice. Then I tried DOT on it and it caused problems so I decided to paint it. It would have been much better to have painted all the walls and the base before assembly. The base should be painted with blackboard paint. The walls are first painted with undercoat, then white gloss, then the tops are finished off with red gloss paint.
When you build the maze, do not be tempted to leave out pieces "A" and the second "B". One of the limiting factors on mouse speed is its ability to turn through a gap in the wall. Without these it could lose the wall by a long distance and still recover.
If you decide to add a timing sensor so that you can measure lap times, the best place to put it is between pieces "E" and "A". You could drill holes in these pieces and mount a LED and the sensors in the walls themselves. Wiring can go in a channel underneath the board.
This maze could form the basis of a schools competition. It is easier to make wall following mice than line followers as you can use microswitches or pure mechanical systems for the sensors. The maze itself is quick to build and more robust than the simple line follower courses. Wall followers that can run round this course are capable of running in the full course at Techno Games or the annual national competition.